Instrucciones y características
El dispositivo 555 es un circuito integrado muy estable cuya función primordial es la de
producir pulsos de temporización con una gran precisión y que además puede
funcionar como oscilador.
Sus características más destacables son:
Temporización desde microsegundos hasta horas
Modos de funcionamiento
! Estable
! Aplicaciones
Temporizador
! Oscilador
! Divisor de frecuencia
! Modulador de frecuencia
! Generador de señales triangulares
Pasemos ahora a mostrar las especificaciones generales del 555
Vc= DISPARO)

Funcionamiento monoestable

Cuando la señal de disparo esta a nivel alto (ej. 5V con Vcc 5V) la salida se mantiene a
nivel bajo (0V) que es el estado de reposo.
Una vez se produce el flanco descendente de la señal de disparo y se pasa por el valor
de disparo, la salida se mantiene a nivel alto (Vcc) hasta transcurrido el tiempo
determinado por la ecuación:
T = 1.1 Ra C
Circuitos integrados temporizadores
El circuito integrado temporizador más popular es el 555, fue introducido primero por
Signetics Corporation, similar a los amplificadores operacionales de propósito general,
el 555 es confiable, fácil de usar en gran variedad de aplicaciones y de bajo costo. El 555
también puede operar con tensiones de alimentación de + 5 v a + 18 v., por tanto es
compatible tanto con los circuitos TTL como los amplificadores operacionales,
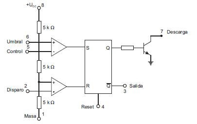
El temporizador 555 (Timer)
El temporizador 555 puede considerarse como un conjunto funcional que tiene dos
comparadores, dos transistores, tres resistencias iguales un flip – flop y una etapa de
salida según se muestra en la figura.

comprendida entre los 4,5 V y 16 V.
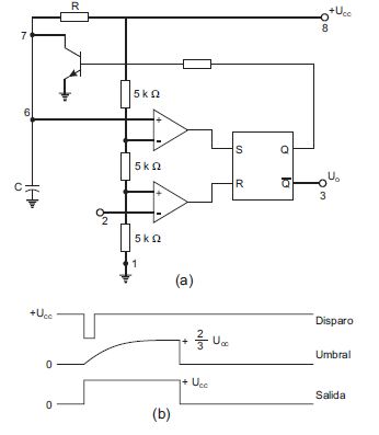
Multivibrador Monoestable
La siguiente figura muestra ala timer 555 conectado para un funcionamiento en modo
monoestable.

Funciona como sigue; la entrada al disipador es ligeramente menor que +UCC/3 el
operacional inferior se va a un nivel de tensión alto y pone a cero el flip flop; esto hace
que el transistor se corte permitiendo cargarse al condensador. Cuando la tensión de
umbral es ligeramente mayor que + 2 UCC/3, el operacional superior tiene por salida un
nivel alto de tensión, lo cual pone a uno flip flop; tan pronto como la salida Q llega a uno,
el transistor conduce y el condensador se descarga rápidamente.
El condensador c tiene que cargarse a través de la resistencia R; a
mayor valor de la constante de tiempo; mayor es el tiempo que toma el condensador
para alcanzar los + 2 UCC/3; en otras palabras, la constante de tiempo RC controla el
ancho del pulso de salida. Resolviendo la ecuación exponencial para la tensión de
condensador, se obtiene la siguiente fórmula para el ancho del pulso.
Por ejemplo, Si R = 22 KN y C = 0.068MF , entonces la salida del temporizador
monoestable 555 es:
W = 1,1 x 22 x 103 x 0,068 x 10-6 = 1,65 min

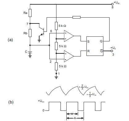
MULTIVIBRADOR ASTABLE
La siguiente figura muestra al timer 555 conectado para este modo de funcionamiento.

Cuando Q está en un nivel bajo de tensión el transistor se corta y el condensador se
carga a través de la resistencia total Ra + Rb; debido a esto, la constante de tiempo de
cargas es (Ra + Rb) c; conforme se carga el condensador, la tensión umbral aumenta;
finalmente la tensión umbral supera a +2 UCC/3, entonces el operacional superior tiene
un nivel alto en su salida y esto pone a uno al flip flop. Con Q puesto a uno, se satura el
transistor y pone a tierra al pin 7, ahora el condensador se descarga a través se Rb con
una constante de tiempo de descarga de Rb c.
Cuando la tensión del condensador cae por debajo ligeramente de + UCC/3, el
operacional inferior tiene un nivel alto en su salida y esto pone a cero al flip flop.
Para especificar cuan asimétrica es la salida, se utiliza el ciclo de
servicio (dutycycle) definido como:
D = W/T x 100%
Como ejemplo: Si W = 2MS y T = 2,5MS, entonces el ciclo de servicio es:
D = 2ms / 2,5 x 100% = 80%
Dependiendo de los valores de las resistencias ra y rb, el ciclo de servicios se
encuentran entre el 50 y el 100%; las ecuaciones de carga y descarga origina las
siguientes fórmulas:
La frecuencia de salida es:
f = 1,44/ (Ra + 2Rb)C
Y el ciclo de trabajo o servicio es:
D = Ra + Rb/ Ra + 2Rb x 100 %
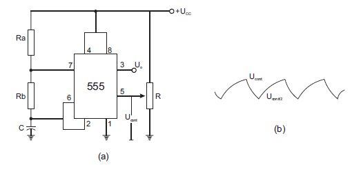
Oscilador Controlado por Tensión
La figura siguiente muestra un oscilador controlado por tensión (vco, del inglés voltaje
controlled oscilador).

La patita 5 (de control) se conecta a la entrada inversora del operacional superior,
normalmente la tensión de controles + 2 ucc/3 a causa del divisor de tensión interno,
sin embargo en la figura anterior la tensión del potenciómetro externo contrarresta la
tensión interna es decir ajustando el potenciómetro podemos variar la tensión de
control, la figura anterior ilustra la tensión en bornes del condensador temporizador.